/
fosic
8421219990
Reverse Osmosis High Capacity Drinking Water Under Sink Filter Commercial RO System
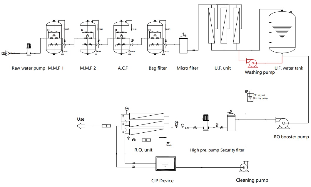
SizeAccording to requirementsConfigurationRaw Water Pump
Multi media Filter Filter Medium
Activated Carbon Filter Filter Medium
Cartridge Filter Fliter Element
Dosing Device Dosing Pump Dosing Tank
First stage RO Unit
High Press Pump RO Membrane Membrane Housing Pressure Gauge Flow Meter Auto Wash Valve Regulating valve
Second stage RO Unit
High Press Pump RO Membrane Membrane Housing Pressure Gauge Flow Meter Auto Wash Valve
Regulating valve
CIP System CIP Tank CIP Pump
Frame For Stage I,II RO unit
Pipes & Fitting
Control panel
PLC Level Switch High & Low Pressure Switch Conductivity Meter PH meter
Electrical components Wires & CableMaterialUPVC + Stainless steel,FRPFunctionPurified water equipment is equipment used to produce pure water to meet the needs of various industries.
It is the most common water treatment equipment, widely used in food, chemical, electronics, medicine and other industries.
Feature
High degree of operation automation, the imported parts rate is over 80%;
Low pressure full water automatic shutdown, high pressure full water automatic shutdown;
Water pressure fluctuation protection, automatic controller regularly flushes pre-filter material;
IC microcomputer controller automatically rinses the reverse osmosis membrane, and automatically monitors water quality;
Small footprint, low energy consumption, no pollution; simple process, high water quality, easy operation and maintenance;
Application scope:
A.electronic industry water: integrated circuit, silicon wafer, display tube, electrode foil and other electronic components flushing water.
B. chemical industry water: chemical recycling, chemical products manufacturing, fertilizer production, etc.
C. power industry boiler feed water: power plant boiler, medium and low pressure boiler power system.
D. food industry water: beverages, beer, liquor, health products, etc.
E. drinking pure water: real estate, community, enterprises, etc.
F. seawater, brackish water desalination, islands, ships, offshore drilling platforms, brackish water areas.
G. other water: automotive, household appliances, coating, coated glass, cosmetics, fine processing products, printing and dyeing, etc.
Specification
| Model | Flow rate (L/h) | Power(KW) | Water use efficiency | RO membrane | Dimension |
| L X W X H(mm) | |||||
| RO-500L | 500 | 1.5 | ≥ 50% | 4040 | 1650X630X1800 |
| RO-750L | 750 | 2.5 | ≥ 50% | 4040 | 1870X630X1850 |
| RO-1000L | 1000 | 2.5 | ≥ 50% | 4040 | 1870X650X1850 |
| RO-2000L | 2000 | 3.5 | ≥ 50% | 4040 | 2440X650X1750 |
| RO-3000L | 3000 | 4 | ≥ 50% | 4040 | 2440X620X1850 |
| RO-5000L | 5000 | 7.5 | ≥ 50% | 8040 | 2000X900X1800 |
| RO-6000L | 6000 | 9.5 | ≥ 60% | 8040 | 3000X900X1800 |
| RO-8000L | 8000 | 13.5 | ≥ 60% | 8040 | 3000×900×1800 |
| RO-9000L | 9000 | 14 | ≥ 60% | 8040 | 4000X900X1800 |
| RO-10T | 10T/H | 19 | ≥ 60% | 8040 | 3000X900X1800 |
| RO-12T | 12T/H | 19.5 | ≥ 60% | 8040 | 4000X900X1800 |
| RO-15T | 15T/H | 23 | ≥ 60% | 8040 | 4000X900X1950 |
| RO-20T | 20T/H | 28 | ≥ 60% | 8040 | 5000X900X1950 |
| RO-30T | 30T/H | 55 | ≥ 60% | 8040 | 7000X900X1950 |
Ultrafiltration film technology introduction
Ultrafiltration film is a film filtering between micro-filtering and nanometer-filtering, which is applied to separation,concentration and purfication of substance.
It is generally characterized by the retention component in practical applications, and is mainly used to separate macromolecules, colloids and particles in solution from small molecular substances such as solvents.
Macromolecules, colloids and particles are trapped on the surface of the membrane, and are taken away by the circulation of the substance to form a concentrated solution, which achieves the purpose of substance separation, concentration and purification.
Reverse Osmosis High Capacity Drinking Water Under Sink Filter Commercial RO System
SizeAccording to requirementsConfigurationRaw Water Pump
Multi media Filter Filter Medium
Activated Carbon Filter Filter Medium
Cartridge Filter Fliter Element
Dosing Device Dosing Pump Dosing Tank
First stage RO Unit
High Press Pump RO Membrane Membrane Housing Pressure Gauge Flow Meter Auto Wash Valve Regulating valve
Second stage RO Unit
High Press Pump RO Membrane Membrane Housing Pressure Gauge Flow Meter Auto Wash Valve
Regulating valve
CIP System CIP Tank CIP Pump
Frame For Stage I,II RO unit
Pipes & Fitting
Control panel
PLC Level Switch High & Low Pressure Switch Conductivity Meter PH meter
Electrical components Wires & CableMaterialUPVC + Stainless steel,FRPFunctionPurified water equipment is equipment used to produce pure water to meet the needs of various industries.
It is the most common water treatment equipment, widely used in food, chemical, electronics, medicine and other industries.
Feature
High degree of operation automation, the imported parts rate is over 80%;
Low pressure full water automatic shutdown, high pressure full water automatic shutdown;
Water pressure fluctuation protection, automatic controller regularly flushes pre-filter material;
IC microcomputer controller automatically rinses the reverse osmosis membrane, and automatically monitors water quality;
Small footprint, low energy consumption, no pollution; simple process, high water quality, easy operation and maintenance;
Application scope:
A.electronic industry water: integrated circuit, silicon wafer, display tube, electrode foil and other electronic components flushing water.
B. chemical industry water: chemical recycling, chemical products manufacturing, fertilizer production, etc.
C. power industry boiler feed water: power plant boiler, medium and low pressure boiler power system.
D. food industry water: beverages, beer, liquor, health products, etc.
E. drinking pure water: real estate, community, enterprises, etc.
F. seawater, brackish water desalination, islands, ships, offshore drilling platforms, brackish water areas.
G. other water: automotive, household appliances, coating, coated glass, cosmetics, fine processing products, printing and dyeing, etc.
Specification
| Model | Flow rate (L/h) | Power(KW) | Water use efficiency | RO membrane | Dimension |
| L X W X H(mm) | |||||
| RO-500L | 500 | 1.5 | ≥ 50% | 4040 | 1650X630X1800 |
| RO-750L | 750 | 2.5 | ≥ 50% | 4040 | 1870X630X1850 |
| RO-1000L | 1000 | 2.5 | ≥ 50% | 4040 | 1870X650X1850 |
| RO-2000L | 2000 | 3.5 | ≥ 50% | 4040 | 2440X650X1750 |
| RO-3000L | 3000 | 4 | ≥ 50% | 4040 | 2440X620X1850 |
| RO-5000L | 5000 | 7.5 | ≥ 50% | 8040 | 2000X900X1800 |
| RO-6000L | 6000 | 9.5 | ≥ 60% | 8040 | 3000X900X1800 |
| RO-8000L | 8000 | 13.5 | ≥ 60% | 8040 | 3000×900×1800 |
| RO-9000L | 9000 | 14 | ≥ 60% | 8040 | 4000X900X1800 |
| RO-10T | 10T/H | 19 | ≥ 60% | 8040 | 3000X900X1800 |
| RO-12T | 12T/H | 19.5 | ≥ 60% | 8040 | 4000X900X1800 |
| RO-15T | 15T/H | 23 | ≥ 60% | 8040 | 4000X900X1950 |
| RO-20T | 20T/H | 28 | ≥ 60% | 8040 | 5000X900X1950 |
| RO-30T | 30T/H | 55 | ≥ 60% | 8040 | 7000X900X1950 |
Ultrafiltration film technology introduction
Ultrafiltration film is a film filtering between micro-filtering and nanometer-filtering, which is applied to separation,concentration and purfication of substance.
It is generally characterized by the retention component in practical applications, and is mainly used to separate macromolecules, colloids and particles in solution from small molecular substances such as solvents.
Macromolecules, colloids and particles are trapped on the surface of the membrane, and are taken away by the circulation of the substance to form a concentrated solution, which achieves the purpose of substance separation, concentration and purification.
content is empty!